logo

Красный механический трос управления с вилочным разъемом и диапазоном температур от -40°C до 80°C, подходит для тяжелых условий эксплуатации

Красный механический трос управления с вилочным разъемом и диапазоном температур от -40°C до 80°C, подходит для тяжелых условий эксплуатации
Характеристики Галерея Характер продукции Спросите цитату
Характеристики
Характеристики
Features: Custom Engineered Assembly
Color: Green,Black,Red
Port: Shanghai
Inner Cable: Multi-strand High-tensile Steel
Package: Wood Case / Carton / Bubble Film
Bus Model: China
Materia: As Per Requirements
Innermember: Nylon-covered Stainless Steel
Выделить:

Красный механический трос управления с вилочным разъемом

,

Механический трос управления для тяжелых условий эксплуатации

,

Термостойкий механический трос управления

Основная информация
Фирменное наименование: PHIDIX
Model Number: Mechanical Control Cable
Оплата и доставка Условия
Характер продукции

Описание продукта:

Механический трос управления — это высоконадежное и универсальное решение, разработанное для широкого спектра промышленных и коммерческих применений. Разработанный с учетом точности и долговечности, этот трос обеспечивает исключительную производительность даже в сложных условиях. Благодаря типичному диапазону температур от -65 °F до 230 °F он обеспечивает стабильную работу как в условиях экстремального холода, так и при высоких температурах, что делает его идеальным для использования в различных климатических условиях и требовательных условиях.

Одной из выдающихся особенностей этого механического троса управления является его индивидуальная сборка. Каждый трос тщательно изготавливается в соответствии с конкретными требованиями, что позволяет создавать индивидуальные решения, отвечающие уникальным эксплуатационным потребностям. Независимо от того, требуется ли вам определенная длина, прочность или конфигурация, этот трос может быть разработан по индивидуальному заказу для обеспечения оптимальной функциональности и эффективности. Такой подход к индивидуальному проектированию гарантирует безупречную работу троса в предполагаемом применении, минимизируя время простоя и повышая общую надежность системы.

Внутренний элемент троса изготовлен из нержавеющей стали с нейлоновым покрытием, которое сочетает в себе прочность и коррозионную стойкость нержавеющей стали с защитными свойствами нейлона. Такая конструкция обеспечивает превосходную долговечность, гибкость и устойчивость к износу и истиранию. Нейлоновое покрытие не только защищает сердечник из нержавеющей стали от повреждений окружающей среды, но и снижает трение, обеспечивая плавное и эффективное механическое движение. Это делает трос особенно подходящим для применений, требующих частого или непрерывного движения, например, в системах механических тяговых тросов.

Цветовая маркировка — еще одна важная особенность этого механического троса управления, доступного в зеленом, черном и красном цветах. Эти цветовые варианты помогают легко идентифицировать и организовывать сложные механические системы, сокращая ошибки при установке и упрощая процессы технического обслуживания. Яркие и долговечные цвета сохраняют свой внешний вид с течением времени, даже при воздействии суровых факторов окружающей среды, обеспечивая долгосрочную визуальную четкость.

Произведенный в соответствии со стандартами Bus Model в Китае, этот механический трос управления соответствует строгим мерам контроля качества и отраслевым стандартам. Приверженность качеству гарантирует, что каждый трос обеспечивает стабильную производительность, надежность и безопасность. Клиенты могут быть уверены, что их инвестиции в этот продукт обеспечат долгосрочную ценность и будут соответствовать или превосходить эксплуатационные ожидания.

Разработанный как механический тяговый трос, этот продукт превосходно передает механическую силу на расстояние, что делает его неотъемлемым компонентом различных механизмов управления. Независимо от того, используется ли он в автомобильной, промышленной технике, морском оборудовании или других механических системах, механический трос управления обеспечивает точное управление и отзывчивость. Его прочная конструкция и индивидуальное проектирование делают его адаптируемым к широкому спектру применений, повышая общую эффективность и результативность механических операций.

В итоге, механический трос управления выделяется как премиальный выбор для всех, кому требуется прочный, надежный и настраиваемый трос управления. Его широкий температурный диапазон, индивидуальная сборка, внутренний элемент из нержавеющей стали с нейлоновым покрытием и яркие цветовые варианты делают его универсальным и надежным решением. Изготовленный по высоким стандартам в соответствии с Bus Model в Китае, этот трос разработан для обеспечения превосходной производительности в различных требовательных условиях. Независимо от того, используется ли он в качестве механического тягового троса или в других применениях управления, он обеспечивает прочность, гибкость и точность, необходимые для эффективной оптимизации систем механического управления.


Особенности:

  • Название продукта: Механический трос управления
  • Подходит для применений механического тягового управления
  • Варианты упаковки: деревянный ящик, картонная коробка, пузырчатая пленка
  • Доступные типы соединений троса: шаровой шарнир, вилка, наконечник рулевой тяги и т. д.
  • Внутренний элемент изготовлен из нержавеющей стали с нейлоновым покрытием для долговечности
  • Доступные цвета: зеленый, черный, красный
  • Порт отгрузки: Шанхай
  • Высококачественный механический трос управления, разработанный для надежной работы

Технические параметры:

Порт Шанхай
OEM Да
Внутренний трос Многожильная высокопрочная сталь
Особенности Индивидуальная сборка
Диапазон температур От -40 °C до 80 °C
Типичный диапазон температур От -65 °F до 230 °F
Соединение троса Шаровой шарнир, вилка, наконечник рулевой тяги и т. д.
Упаковка Деревянный ящик / Картонная коробка / Пузырчатая пленка
Размер Стандартный размер OEM или по индивидуальному заказу
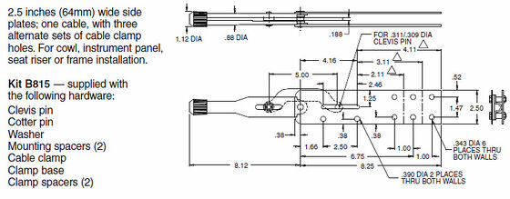
Установленный радиус изгиба До 5 дюймов

Применение:

Механический трос управления PHIDIX — это универсальное и надежное решение, разработанное для удовлетворения потребностей различных применений механического управления. Разработанный с многожильным высокопрочным стальным внутренним тросом, этот трос обеспечивает исключительную прочность и долговечность, что делает его идеальным для точных и стабильных операций механического тягового управления. Доступный в стандартных размерах OEM или в индивидуальных конфигурациях, механический трос управления PHIDIX может быть адаптирован для соответствия конкретным требованиям, обеспечивая гибкость для широкого спектра применений.

Одной из выдающихся особенностей механического троса управления PHIDIX является его способность эффективно работать в типичном диапазоне температур от -65 °F до 230 °F. Эта впечатляющая термическая стойкость позволяет ему надежно работать в экстремальных условиях, от холодных уличных условий до высокотемпературных промышленных помещений. Прочная конструкция троса дополняется выбором соединений троса, включая варианты с шаровым шарниром, вилкой и наконечником рулевой тяги, что обеспечивает надежные и адаптируемые методы крепления, подходящие для различных механических систем.

Доступный в ярких цветах, таких как зеленый, черный и красный, механический трос управления PHIDIX не только обеспечивает функциональные преимущества, но и улучшает визуальную идентификацию и безопасность во время установки и обслуживания. Его применение охватывает множество отраслей, включая автомобильную, аэрокосмическую, морскую и промышленную технику, где точное управление тросом имеет решающее значение. Независимо от того, управляет ли он дроссельной заслонкой, тормозами или другими механическими связями, этот трос обеспечивает плавную и отзывчивую работу.

Механический трос управления PHIDIX превосходно работает в сценариях, требующих надежного и точного механического привода. Он обычно используется в тяжелом оборудовании, сельскохозяйственной технике и индивидуальных транспортных средствах, где надежные решения для управления тросом необходимы для операционной эффективности и безопасности. Кроме того, его настраиваемый размер и варианты соединений делают его подходящим для инновационных инженерных проектов и модернизации.

В итоге, механический трос управления PHIDIX выделяется как высокопроизводительный выбор для нужд механического тягового управления и управления тросом. Его сочетание прочных материалов, широкого температурного диапазона, настраиваемых фитингов и различных цветовых вариантов делают его незаменимым компонентом в различных требовательных сценариях, обеспечивая надежное механическое управление в различных условиях эксплуатации.


Индивидуализация:

В PHIDIX мы предлагаем комплексные услуги по индивидуализации продукции для наших механических тросов управления, разработанные для удовлетворения ваших конкретных потребностей. Наши решения для механических тяговых тросов включают различные варианты соединений троса, такие как шаровой шарнир, вилка, наконечник рулевой тяги и другие, обеспечивая совместимость и простоту установки.

Мы поставляем механические тяговые тросы в стандартном размере OEM или в индивидуальных размерах, чтобы идеально соответствовать вашему применению. Каждый механический тяговый трос представляет собой индивидуально разработанную сборку, изготовленную из материалов, выбранных в соответствии с вашими требованиями, для гарантии долговечности и производительности.

Наш механический трос управления рассчитан на работу в типичном диапазоне температур от -65 °F до 230 °F, что делает его пригодным для различных рабочих сред. Доверьтесь PHIDIX для надежной, высококачественной индивидуализации механических тяговых тросов, адаптированной к вашим точным спецификациям.


Поддержка и услуги:

Наши механические тросы управления разработаны для обеспечения точного и надежного управления широким спектром механических систем. Чтобы обеспечить оптимальную производительность и долговечность ваших тросов управления, следуйте инструкциям по установке и техническому обслуживанию, приведенным в руководстве по продукту.

При установке убедитесь, что трасса троса свободна от резких изгибов и перегибов, а трос при необходимости должным образом смазан. Избегайте воздействия агрессивных сред, если трос не предназначен для таких условий.

Рекомендуется регулярный осмотр троса на предмет признаков износа, коррозии или повреждений. Немедленно замените трос при обнаружении каких-либо дефектов, чтобы предотвратить отказ во время работы.

Наша команда технической поддержки готова помочь с устранением неполадок, советами по установке и спецификациями продукта, чтобы помочь вам выбрать правильный трос для вашего применения.

Мы также предлагаем индивидуальные решения для тросов и услуги по ремонту для удовлетворения ваших конкретных потребностей в механическом управлении.

Пожалуйста, ознакомьтесь с подробной документацией по продукту и инструкциями по безопасности перед использованием, чтобы обеспечить безопасную и эффективную работу механических тросов управления.


FAQ:

В1: Для каких применений подходит механический трос управления PHIDIX?

О1: Механический трос управления PHIDIX идеально подходит для различных применений, включая автомобильную, морскую, промышленную технику и сельскохозяйственное оборудование, где требуется точное механическое управление.

В2: Какие материалы используются при изготовлении механического троса управления PHIDIX?

О2: Механический трос управления PHIDIX оснащен высококачественными стальными сердечниками с прочными внешними оболочками из коррозионно-стойких материалов для обеспечения долговечности и надежной работы.

В3: Как определить правильную длину механического троса управления PHIDIX для моего применения?

О3: Чтобы определить правильную длину троса, измерьте общее расстояние между рычагом управления и приводимым в действие компонентом, включая любые изгибы или пути прокладки. PHIDIX также предлагает варианты индивидуальной длины для конкретных требований.

В4: Легко ли установить механический трос управления PHIDIX?

О4: Да, механический трос управления PHIDIX разработан для простой установки со стандартными фитингами, совместимыми с большинством систем управления. Инструкции по установке предоставляются для помощи в правильной настройке.

В5: Может ли механический трос управления PHIDIX эффективно работать в суровых условиях?

О5: Абсолютно. Механический трос управления PHIDIX разработан для работы в суровых условиях окружающей среды, таких как влажность, пыль и колебания температуры, что делает его пригодным для требовательных промышленных и наружных применений.


Порекомендованные продукты
Свяжись с нами
Контактное лицо : Ms. lisa
Телефон : 13816744282
Факс : 86-021-37214610
Осталось символов(20/3000)